ГЛАВНАЯ НА ВООРУЖЕНИИ ПЕРСПЕКТИВНЫЕ
РАЗРАБОТКИ
ОГНЕВАЯ МОЩЬ
ЗАЩИТА ПОДВИЖНОСТЬ 

ЭКСКЛЮЗИВНЫЕ МАТЕРИАЛЫ  БИБЛИОТЕКА ФОТООБЗОРЫ
 
 


«ЛЕОПАРД-1» - ПЕРЕДОВАЯ СИСТЕМА НЕМЕЦКОЙ БРОНЕТАНКОВОЙ

ТЕХНИКИ  СЕРЕДИНЫ  60-Х  ГОДОВ  ХХ  ВЕКА

 

Чернышев В.Л., к.т.н., доц., НТУ «ХПИ», г. Харьков, Украина;

Арнаудов К.Б., д.т.н., проф., Институт механики, г. София, Болгария;

Акиншин А.Г., асп., НТУ «ХПИ», г. Харьков, Украина;

Березуцкий С.М., ведущий аналитик ЗТМ имени В.А. Малышева, г. Харьков, Украина.

 

 

Предложена 17-ти уровневая система конструкторских  базовых исходных данных, которая позволяет рассматривать  танк как единую замкнутую систему «СРЕДА - МАШИНА – ЭКИПАЖ - КОМПЛЕКС ВООРУЖЕНИЯ -СНАРЯД - ЦЕЛЬ» В статье приведены уровни A, B, L и M, которые раскрывают субподрядчиков проекта  «Леопард-1», основные ТТХ танка, двигателя МВ838СаМ500, регулятора RQU 425/1100 ZW10d и трансмиссии 4НР-250.

Представленные материалы позволяют перейти к задаче динамики переходных процессов в системе «водитель-двигатель-трансмиссия» и сопоставить с аналогичными процессами в танке Т-64А.

Ключевые слова: танк «Леопард-1», силовая передача, дизель МВ838СаМ500, регулятор RQU 425/1100 ZW10d,  трансмиссия 4НР-250, планетарные передачи, метод динамического состояния.

 

Введение.

На выставке вооружения AAD (ЮАР, сентябрь 2010) Украина впервые представила танк Т-64 БМ «Булат», последнего   представителя Морозовской линейки Т-64, Т-64А, Т-64Б. Германия -   «Леопард-2А4».

 После Второй мировой войны, это было   первое открытое противостояние двух танковых школ мирового уровня: СССР и Германии, каждая из которых имели свои научно-технические и производственные возможности,  концептуальные взгляды на использования танков, как  в период  войны, так и в мирное время...

В 2011 году Колумбия объявила тендер на замену морально устаревших танков М-4А3 «Шерман» и М-3А1 «Стюарт». Танки БМ «Булат» и «Леопард-2» вновь встретились как соперники за Южно-Американский рынок вооружения.

  Тактико-технические характеристики и соотношение «боевая эффективность/стоимость»  танка БМ «Булат» не уступали своему конкуренту «Леопард-2А4» [1], но политическая нестабильность в Украине уже проявляла себя и давала свои результаты…

В 2011 году, на ведущем танковом форуме  Украины [2] было заявлено о начале проекта Safari”- сравнительной оценке танков БМ «Булат» и «Леопард-1А5», как машин одного временного периода – второй половины 80-х годов ХХ века.

В качестве рабочего инструмента предполагалось использовать информационную технологию “Gill” [3], представляющей танк как замкнутую систему  «СРЕДА-МАШИНА-ВОДИТЕЛЬ». В ее основу был положен метод динамического состояния (МДС) [4], [5] позволяющий моделировать динамику переходных процессов в силовой передаче, как неголономную механическую систему, с изменяющимся числом степеней свободы, обусловленную работой фрикционных устройств  трансмиссии.

Актуальность задачи.  В 80-е годы прошлого века, в СССР  возникла необходимость в аналитическом моделировании динамики силовой передачи как замкнутой системы «СРЕДА-МАШИНА-ВОДИТЕЛЬ», позволяющей согласовать работу двигателя, трансмиссии и законов управления танком, в зависимости от дорожных условий движения (составная часть темы «Молот»).

Динамика переходных процессов в силовой передаче танка Т-64А, с использованием МДС, подробно рассмотрена в работах [4] и [5].

Аналитическое моделирование работы силовой передачи ОБТ «Леопард-1», с помощью МДС, невозможно без достоверных исходных данных по двигателю МВ838СаМ500, регулятору RQU 425/1100 ZW10d  и трансмиссии 4НР-250.  В связи с этим,  получение данной информации считаем актуальным. Это позволяет исследовать динамику силовой передачи «Леопард-1» в режимах разгона и торможения и сопоставить их с аналогичными параметрами танка Т-64А, представленными в работе [4].

Перечень решаемых задач. При реализации проекта Safari”, мы столкнулись со следующими двумя проблемами:

1. Необходимость разработки 17-уровневой системы конструкторских базовых (первичных) исходных данных (СКБИД), по которым можно было бы, используя “Gill”, получить эксплуатационные (вторичные) показатели объекта исследования: скорости и ускорения произвольных точек корпуса и башни, включая места членов экипажа, установки систем наблюдения и управления огнем, крепления систем вооружения, максимальные и средние скорости движения танка с учетом юза и буксования, циклограммы нагружения деталей и узлов, показатели надежности и долговечности, как машины в целом, так и ее составных систем, в зависимости от дорожных условий и режимов эксплуатации.

2. Получение необходимых исходных данных танка «Леопард-1» (уровни А и В, таблицы 2, 3), его моторно-трансмиссионной установки: двигателя МВ838СаМ500 (уровень L, таблица 4) и трансмисси 4НР-250 (уровень М, таблица 5).

Таблица 1. Базовые уровни СКБИД.

№ п/п

Уровень

Содержание уровней исходных данных

1

A

Ведущий разработчик и его соисполнители

2

B

Массо-габаритные характеристики объекта

3

C

Корпус 1. Система координат и базовые точки корпуса.

4

D

Корпус 2. Точки крепления поддерживающих роликов

5

E

Корпус 3. Базовые точки системы подрессоривания

6

F

Башня. Система координат и расположение оборудования

7

G

Система основного вооружения

8

H

Система вспомогательного вооружения

9

I

Система управления огнем, наведения и стабилизации

10

J

Системы наблюдения экипажа и прицелы

11

K

Системы защиты

12

L

Силовая установка и ее системы

13

M

Трансмиссия и бортовая передача

14

N

Система подрессоривания

15

P

Гусеничный движитель

16

Q

Электрооборудование

17

R

Система информационного обеспечения и связь

При изложении материала применяется структура, использованная в [4].

  1. Объект исследования

 

Объектом исследования является немецкий основной боевой танк «Леопард-1» (рис.1)  и его моторно-трансмиссионная установка (рис. 2).

является немецкий основной боевой танк «Леопард-1»

Рис. 1. Танк «Леопард-1»

 

Разработка танка «Леопард-1» началась в 1957 году. В качестве генерального подрядчика выступила фирма  «Krauss-Maffei». Ее основные соисполнители по системам танка приведены в таблице 2.

 

Таблица 2. Уровень А. Основной разработчик и соисполнители проекта «Леопард-1»

 

№п/п

Наименование

Разм.

Величина

Примеч.

1

Генеральный подрядчик проекта

---

Krauss Maffei - Wegmann GmbH und Co.KG, Кассель

 

2

 

Фирмы - изготовители

---

Krauss Maffei - Wegmann GmbH und Co.KG (завод в Киле),  КруппМак

 

3

Год начала разработки объекта

---

1957

 

4

 

 

Год принятия объекта  на вооружение

---

 

 

1986

Первый  «Леопард-1А5» был передан Бундесверу в начале 1987 г .

5

Разработчик корпуса

 

Blohm + Voss GmbH

 

6

 

 

Разработчик башни

---

 

 

Wegmann und Co

 

входит в Krauss-Maffei Wegmann GmbH & Co.KG. Кассель

7

 

 

Производитель корпуса и башни

---

KMW Welding Technology Division (на мощностях Blohm + Voss GmbH), Thyssen  IndustrieRheinstahl, VERSEIDAG-INDUTEX GmbH, ETEC GESELLSCHAFT FUR TECHNISHE KERAMIK GMBH

 

8

Разработчик основного вооружения

---

Артиллерийский завод в Ноттингеме, Великобритания

 

9

Основное вооружение

 

105 мм пушка L7A3

 

10

Боекомплект основного вооружения

Шт

60

7  типов боеприпасов

11

Разработчик вспомогательного вооружения

---

Rheinmetall De Tec, Дюссельдорф

 

12

Вспомогательное вооружение

---

Пулемет MG3 калибр 7.62

 

13

Боекомплект вспомогательного вооружения

Шт

5500

 

14

 

Разработчик СУО

 

---

STN Atlas Electronik GmbH,

Rheinmetall Defence Electronics GmbH, Бремен

Монтаж —  Wegmann und Co

15

Система управления огнем

 

EMES-18

 

16

 

Разработчик системы стабилизации

 

ESW GmbH.  г.  Ведель (Шлезвиг-Гольдштейн), Steyer und Regelkontsept

 

17

Система стабилизации  пушки

---

ESW GmbH.  производственные мощности - Гамбург.

 

18

Разрабочик прицела

---

 

 

19

Марка прицела

---

 

 

20

 

Разработчик двигателя

---

Motoren-und Turbinen-Union Friedrichshafen GmbH, Фридрихсхафен

входит в состав группы Tognum AG

21

Основной двигатель

---

MB838Cam500

 

22

Система охлаждения двигателя

---

водяная

 

23

Разработчик трансмиссии

 

"Zahnradfabrik" - ZF Friedrichshafen AG

 

24

Марка трансмиссии

 

4HP-250

 

25

 

Разработчик систем ходовой части

---

 

Diehl Remscheild GmbH & Co

 

входит в корпорацию Diehl Defence

26

Ходовая часть

---

7-ми опорная

 

27

Стоимость одного образца

долл

 

 

28

Число изготовленных образцов, включая другие машины на его базе

шт

~ 6000

 

 

В 1963 году проект был полностью завершен, а с 1965 года ОБТ «Леопард-1» поступил на вооружение армии ФРГ.

Рассматриваемая система вооружения прошла пять последовательных,  модернизаций  - «Леопард-1А1» . . .  «Леопард-1А5». Основные ТТХ «Леопарда-1А5» приведены в таблице 3.

 

Таблица 3. Уровень В. Массо-габаритные характеристики «Леопарда-1А5».

 

№п/п

Наименование

Разм.

Величина

Примеч.

1

Общая боевая масса

тонн

42.4

 

2

Масса укомплектованного шасси

тонн

 

 

3

Масса укомплектованной башни

тонн

 

 

4

Масса пушки

тонн

 

 

5

Объем и масса основного боекомплекта

тонн

 

 

6

Масса ходовой части

тонн

 

 

7

Забронированный  объем и масса топлива

литр/ тонн

985/

 

8

Общий (внешний) объем танка

м 3

 

 

9

Общий (внешний) объем шасси

м 3

 

 

10

Общий (внешний) объем башни

м 3

 

 

11

Забронированный объем корпуса

м 3

4.2

 

12

Забронированный объем башни

м 3

 

 

13

Объем, занимаемый экипажем

м 3

 

 

14

Площадь лобовой проекции.

м2

 

 

15

Площадь боковой проекции.

м2

 

 

16

Длина с пушкой вперед

мм

9543

 

17

Длина опорной поверхности

мм

4200

 

18

Длина корпуса

мм

7027

 

19

Ширина общая

мм

3370

 

20

Ширина по гусеницам

мм

3250

 

21

Площадь опорной поверхности

м2

4.62

 

22

Среднее удельное давление

МПа

0.092

 

 

На  базе гусеничного  шасси «Леопард-1» были  созданы мостоукладчик «Бипер», саперный танк «Пионирпанцер», ремонтно-эвакуационная машина «Стандарт» и СЗУ «Гепард».

В Германии, на заводах «Krauss-Maffei» и «Mak», было изготовлено 4470 танков «Леопард-1». В Италии, фирмой «ОТО-Мелара»,  по лицензии было изготовлено 720  единиц экспортного варианта «Леопард-1» под маркой OF-40 для  поставок в  Турцию и Грецию.

В настоящее время, танк  «Леопард-1» находится на  вооружении  девяти стран, участниц блока  НАТО:  Германии, Бельгии, Дании, Италии, Канады, Нидерландов, Греции, Норвегии и Турции, а также Австралии. Общее число танков и военно-гусеничных машин на его шасси составляет более 6000 единиц.

 Несмотря на длительную эксплуатацию в армиях  многих стран,  и большое число публикаций [6], [7] и др. получить необходимые конструкционные данные по машине и ее системам - оказалось очень сложно...

 

2. Моторно-трансмиссионная установка танка «Леопард-1»

В  зарубежных танковых моторно-трансмиссионных установках (МТУ) широкое применение получила система монтажа двигателя, трансмиссии и обслуживающих систем в единый сборочный блок рис.2.

Рис.2. Моторно-трансмиссионная установка ОБТ «Леопард-1»

 

Применение  дизеля МВ838СаM500, имеющего  скоростной диапазон ~ 2, и, работающая в блоке с ним, гидромеханическая трансмиссия 4НР-250 с соответствующей разбивкой передаточных отношений планетарной коробки передач (ПКП),  позволяет силовой передаче работать в режимах гидромеханической и чисто механической трансмиссии.

Компоновочное решение МТУ имеет ряд преимуществ:

1.     Обеспечивается легкий доступ к  узлам и агрегатам, повышается  надежность и качество монтажа всего МТУ  в целом.

2.     Остановочные тормоза и бортовые редукторы установлены в корпусе машины, образуя самостоятельный узел.

3.     Единый блок МТУ  позволяет избежать излишних центровок при монтаже агрегатов.  Длительность его замены силами  экипажа в полевых условиях составляет  15...20  минут.

4.     Использование  4-х резинометаллических опор снижает ударную нагрузку на МТУ, возникающую при движении танка и вызывающую взаимную расцентровку составных систем и узлов.

 

2.1. Дизель  MB838CaM500

 

Танковый двигатель МВ838СаМ500 был разработан в начале 60-х годов фирмой MTU. Общий вид  и его разрез показаны на рисунках 3 а, б.    Основные его ТТХ приведены в таблице 4.

Дизель  MB838CaM500    Дизель  MB838CaM500

Рис. 3 а, б. Общий вид  (а) и разрез (б) двигателя МВ838СаМ500

 

Это 10-цилиндровый, четырехтактный, предкамерный дизель жидкостного охлаждения. V-образный блок, с углом развала 90 0 , имеет высокую компактность и жесткость. Основные силовые детали (блок-картер, головки цилиндров, поршни) изготовлены из легких сплавов. Головки цилиндров индивидуальные, с расположенными по центру предкамерой и четырьмя клапанами. Гильзы цилиндров выполнены из чугуна мокрого типа, уплотняются в расточках блока резиновыми кольцами. Поршни изготовлены фирмой “Male” из высококремнистого сплава и охлаждаются маслом.

 

 

Рис. 4. Поршень двигателя МВ838СаМ500

 

Шатуны центральные, рядом сидящие, с косым разъемом.

 

Рис.5. Шатун двигателя МВ838СаМ500.

 

Коленчатый вал стальной, полноопорный, с противовесами и гидравлическим гасителем крутильных колебаний. Вал опирается на подшипники из трехкомпонентного материала.

 

 

Рис. 6. Коленчатый вал двигателя МВ838СаМ500

 

 

Топливный золотниковый насос блочного типа и впускные коллекторы расположены в развале двигателя.

Надув осуществляется от двух приводных центробежных компрессоров, расположенных в передней части двигателя. Для предохранения привода компрессора от перегрузок предусмотрены центробежные фрикционные муфты.

Основное средство запуска – электростартер. Для облегчения запуска степень сжатия повышена до 19,5, а также введен предпусковой подогрев воздуха в предкамере с помощью свеч накаливания. Холодный пуск двигателя обеспечивается до температуры окружающей среды минус 18 0 С.

 

Таблица 4. Уровень L. Основные ТТХ дизеля МВ838СаМ500

 

п/п

Параметр

Размерность

Параметр

1

Марка двигателя

---

МВ 838 СаМ500

2

Фирма-разработчик

---

MTU

3

Год начала серийного производства

---

1965

4

Тактность

---

4

5

Система охлаждения

---

жидкостная

6

Число и расположение цилиндров

---

10  V-образн. 900

7

Порядок работы цилиндров

---

 

8

Степень сжатия

---

19.5

9

Диаметр цилиндра

мм

165

10

Число поршней

шт.

10

11

Масса поршня

кг

3.957

12

Ход поршня

мм

175

13

Длина шатуна

мм

320

14

Масса шатуна

кг

6.25

15

Момент инерции шатуна

кг*м 2

0.019

16

Положение цт шатуна отн. коренной шейки

мм

70.0

17

Минимальные обороты вала  n min

об*мин -1

800

18

Номинальный режим работы

Нм/об*мин -1

2600/1900

19

Максимальные обороты вала n max

об*мин -1

2350

20

Максимальная мощность/частота вращения

кВт/об*мин -1

610/2200

21

Максимальный крутящий момент /частота вращения

нм/об*мин -1

2630/1550

22

Крутящий момент в режиме максимальной мощности

нм

2460

23

Коэффициент рабочей частоты вращения

---

1.42

24

Коэффициент приспособляемости

---

1.04

25

Удельный расход топлива

г/э.лс.ч

185

26

Литровая мощность

Л.с./л

22.2

27

Вид топлива

---

Усл. многотопл

28

Максимальное ускорение поршня в режиме nmax

м/с2

 

29

Средняя скорость поршня в режиме nmax

м/с

12.8

30

Рабочий объем

л

37.4

31

Среднее эффективное давление

МПа

0.91

32

Наддув

---

2ПЦН

33

Габариты двигателя L*B*H

мм

1520*1060*940

34

Габаритный объем 

м3

1.52

35

Габаритная мощность

кВт/м3

400

36

Масса

кг

1920

37

Удельная масса

кг/л.с.

2.3

38

Удельный расход топлива

г/э.л.с.ч

180

39

Емкость топливных баков

л

985

40

Объем масла

л

66

41

Стоимость

Долл.

 

 

1.2.                  Регулятор дизеля МВ838СаМ500

 

              На двигателе МВ838СаМ500 установлен двухрежимный центробежный регулятор скорости прямого действия RQU 425/1100 ZW10d фирмы BOSH [8]. Регулятор фланцевого типа крепится при помощи шпилек к топливному насосу двигателя. Центробежный измеритель регулятора, с вращающимися пружинами, приводится в работу от кулачкового вала двигателя. Структурная схема регулятора приведена на рис. 7.

Рис. 7 Структурная схема регулятора RQU 425/1100 ZW10d.


 

На схеме цифрами обозначены:

1 – соленоид.

2 – рейка.

3 – упор максимальной подачи топлива.

4 – тяга.

5 – указатель положения рычага управления.

6 – левый контактор.

7 – правый контактор.

8 – рычаг управления.

9 – рычажный механизм с основным рычагом.

10 – вильчатый рычаг с полумуфтой.

 

11 – упругий упор

12 – пружина.

13 – центральная втулка.

14 – палец.

15 – рычаг.

16 – тарелка.

17 – внешняя пружина.

18 – тарелка с осевым стержнем.

19 – центробежный чувствительный элемент;

20 – топливный насос.

 

 

 

Регуляторные характеристики двигателя приведены на рис.8.

 

Рис.8. Регуляторные характеристики дизеля МВ838СаМ500

 

 

1.3.                  Трансмиссия 4НР-250

 

В  зарубежных танковых моторно-трансмиссионных установках (МТУ) широкое применение получили гидромеханические трансмиссии (ГМТ), основным узлом которых является гидротрансформатор (ГТ). Их использование дает возможность в   1,5  . . 2,0 раза повысить надежность и долговечность МТУ за счет «срезания» пиковых нагрузок и гашения крутильных колебаний.

На танке Леопард-1» установлена ГМТ   4НР-250, разработанная фирмой  «ZF» рис. 9 а, б и выполненная  по полнопоточной схеме [8].

 

                                                        

 

 

Рис.  9 а, б.  Общий вид (а) и разрез (б) трансмиссии  4НР-250

 

Комплексная гидропередача установлена на входе в ПКП  и включается в работу при преодолении машиной значительных сопротивлений движению.

В зависимости от дорожных условий,  кинематическая схема  трансмиссии и ее система управления позволяют танку реализовать следующие режимы движения:

По местности:

              - на 1, 2 и  3 передачах - в режиме ГМТ,

              - на 4  передаче - в режиме заблокированного  ГТ

По дорогам:

       - на 1 передаче - в режиме  ГМТ,

       - на 2,3 и  4 передачах  - в режиме заблокированного ГТ.

Движение задним ходом  может осуществляться на двух передачах. На 1 передаче - в режиме ГМТ, а на 2 передаче - в только в режиме заблокированного ГТ.

 Система управления  танком обеспечивает  ручное и автоматическое переключение передач.

Блокировка ГТ приводит к экономию топлива на  5 .. 13 %.

 

2.3.1. Гидротрансформатор

 

В трансмиссии 4НР-250 применен комплексный гидротрансформатор, работающий при прямолинейном движении в последовательном, а при повороте -  в параллельном потоках мощности.

Включение в силовую передачу ГТ обеспечивает  в широком диапазоне непрерывное и автоматическое изменение скорости и крутящего момента на выходном валу в зависимости от момента сопротивления вращению ведущих колес гусеничного движителя, что существенно облегчает управление движением танка.

 Использование  ГТ с КПД ~ 80 %  привело к существенному уменьшению тяговой характеристики и повышению тепловыделений в систему охлаждения.

Частота вращения насосного колеса на оптимальном режиме принимается равной 2400 об/мин. Коэффициент автоматичности ГТ равен 0.175.

Основные геометрические размеры ГТ и характеристики ГТ [9] представлены  на рис. 10.

 

Геометрические размеры и характеристики ГТ трансмиссии 4НР-250

Рис. 10. Геометрические размеры и характеристики ГТ трансмиссии 4НР-250

 

2.3.2.   Планетарная коробка передач

 

Планетарная коробка передач (ПКП) имеет  две степени свободы. Номера включаемых фрикционных устройств, значения передаточных отношений и КПД, в зависимости от передачи, приведены в таблице 6.  Значение КПД определялось по  методу Крейснеса, при условии, что КПД внешнего зацепления равно 0.985, а внутреннего – 0.99.

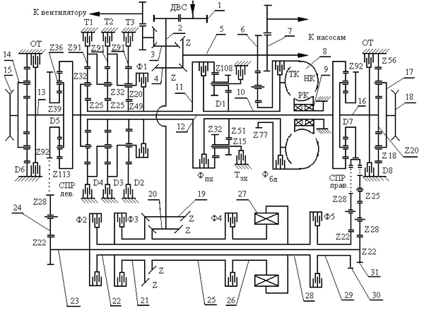
Кинематическая схема гидромеханической трансмиссии  4НР-250 приведена на рисунке 11.

Кинематическая схема трансмиссии 4НР-250

Рис.11. Кинематическая схема трансмиссии 4НР-250

 

В ней использованы следующие обозначения:

D1 – входной планетарный механизм ПКП

D2, D3, D4 – планетарные механизмы  соответственно 1, 2 и 3 передач.

D5 – суммирующий планетарный ряд (СПР) левого борта.

D6 – левый бортовой редуктор (БР).

D7 – СПР правого борта

D8 – правый БР.

НК – насосное колесо ГТ;

ТК – турбинное колесо ГТ;

РК – реакторное колесо ГТ;

 

Ф БД – блокирующий фрикцион ГТ.

Ф ПХ – блокирующий фрикцион прямого хода.

Т ЗХ – тормоз заднего хода.

Т1, Т2, Т3 – соответственно тормоза включения 1, 2 и 3 передач.

Ф1 - блокирующий фрикцион включения 4 передачи.

Ф2 – фрикцион поворота левого борта.

Ф3 – фрикцион быстрой передачи механизма поворота (МП).

Ф4 – фрикцион медленной передачи МП.

Ф5 – фрикцион поворота правого борта.

Т ЛЕВ , Т ПРАВ – соответственно, остановочные тормоза  левого и правого бортов

 

 

Цифрами на кинематической схеме обозначены следующие узлы и детали:

1 – входной одноступенчатый цилиндрический редуктор

2 – продольный вал.

3 – коническо-цилиндрический редуктор привода вентилятора системы охлаждения.

4 – коническо-цилиндрический редуктор приводов ГТ и масляных насосов.

5 –  вал привода ГТ.

6 – согласующий редуктор ГТ с передаточным числом U = 1.61

7 –  привод масляных насосов.

8 – ГТ.

9 – обгонная муфта.

10 – вал турбинного колеса ГТ.

11 – входной вал ПКП.

12 – выходной  вал ПКП.

13 – входной вал левого планетарного БР.

14 – водило левого БР.

15 – левое ведущее колесо.

16 – входной вал правого планетарного БР

17 – водило правого БР.

18 – правое ведущее колесо.

19, 20 – соответственно,  конические редукторы быстрой и медленной   ступеней поворота МП.

21 – первый промежуточный вал МП.

22 – средний вал МП.

23 – главный вал МП.

24 – согласующий редуктор левого СПР.

25 – второй промежуточный вал МП.

26 – третий промежуточный вал МП.

27 – автолог (обгонная муфта).

28 – четвертый промежуточный вал МП.

29 – первый согласующий редуктор правого СПР.

30 – второй согласующий редуктор правого СПР

 

 

 

Совмещение функциональных возможностей использования трансмиссии в режимах механической и гидромеханической передач существенно повышает тактико-технические и экономические показатели машины. Основные характеристики 4НР-250 приведены в таблице 5.

 

Таблица 5. Уровень М.   ТТХ трансмиссии и бортовой передачи

 

п/п

         Параметр

Разм.

Параметр

1

2

3

4

1

               Тип

---

2 пот.ГМТ

2

             Марка

---

4HP-250

3

        Фирма-разработчик

---

ZF

4

         Год разработки

---

Начало 60-х

5

Кинематическая схема

---

есть

6

 

            I

 

    передача

включаемые фрикционы

---

Т1, Ф пх

7

передаточное отношение

---

4.64

8

КПД

---

0.980

9

Vmax

км/час

14.0

10

Радиусы поворотов  на I

малый

м

4.8

11

большой

м

15.0

12

 

          II

 

    передача

включаемые фрикционы

---

Т2, Ф пх

13

передаточное отношение

---

2.60

14

КПД

---

0.985

15

Vmax

км/час

25.0

16

Радиусы поворотов на II

малый

м

8.5

17

большой

м

26.8

18

 

           III

 

      передача

включаемые фрикционы

---

Т3, Ф пх

19

передаточное отношение

---

1.667

20

КПД

---

0.990

21

Vmax

км/час

40.0

22

Радиусы поворотов на III

малый

м

13.3

23

большой

м

41.7

24

 

            IV

 

      передача

включаемые фрикционы

---

Ф1, Ф пх

25

передаточное отношение

---

1.0

26

КПД

---

1.0

27

Vmax

км/час

64.0

28

Радиусы поворотов  на IV

малый

м

22.2

29

большой

м

69.5

30

 

Задний ход

 

 I   передача

включаемые фрикционы

---

Т1, Ф зх

31

передаточное отношение

---

4.61

32

КПД

---

0.978

33

Vmax

км/час

13.91

34

Радиусы поворотов   на I

малый

м

 

35

большой

м

 

36

 

Задний ход

 

II  передача

включаемые фрикционы

---

Т2, Ф зх

37

передаточное отношение

---

2.58

38

КПД

---

0.983

39

Vmax

км/час

24.81

40

Радиусы поворотов на II

малый

м

 

41

большой

м

 

42

Передаточное отношение бортовой передачи

 

3.80

43

Масса всей силовой передачи (ДВС, гитара, трансмиссия, БР)

кг

4600

44

Габариты     B*L*H

мм

980-1360-800

45

Масса без ДВС, БР и СУД

кг

1850

46

Объем силовой передачи

м3

4.8

47

Стоимость блока МТУ

долл.

 

 

 

2.3.3.  Механизм поворота

 

Механизм поворота (МП) танка «Леопард-1» много радиусный,  дифференциальный с двойным подводом мощности, представляет дальнейшее развитие конструкции, применяемой на танках Т-VI H («Тигр»)  и T-VI B («Королевский тигр»).

Основой  МП  является два взаимозамкнутых СПР, эпициклические шестерни которых, получают вращение от выходного вала ПКП 12. Солнечная шестерня левого СПР посредством согласующего редуктора 24 связана с главным валом МП 23, другой конец которого через согласующий редуктор 30 связан с солнечной шестерней правого СПР. Средний вал 22 связан с подвижными звеньями фрикционов Ф2, Ф3, Ф5,  автологом 27 и первым согласующим  редуктором  правого борта 29.

Отличительной особенностью МП танка «Леопард-1» является наличие автолога между средним  22 и третьим промежуточным 26 валами.

Введение в конструкцию МП двухскоростного конического редуктора позволяет получить два фиксированных радиуса поворота на каждой передаче.

Следует отметить, что в принятой схеме МП в процессе движения машины в режиме включенного ГТ на величину минимальных расчетных радиусов существенное влияние оказывают преобразующие свойства ГТ.

С уменьшением скорости движения машины, сопровождающееся увеличением скольжения рабочих колес ГТ, в СПР обоих бортов происходит более высокое падение оборотов эпициклов, чем солнечных шестерен. Следствием этого является уменьшение величины расчетных радиусов поворота машины. Это свойство рассматриваемой схемы обеспечивает дополнительные возможности улучшения маневренных качеств и позволяет в различных дорожных условиях осуществлять более крутые повороты, не прибегая к переключению ПКП на низшую передачу.

Свойства дифференциального механизма поворота позволяют  обеспечить поворот машины на месте вокруг  центра тяжести. Этот режим реализуется на нейтральной передаче ПКП. 

 

2.4.    Система охлаждения и смазки

 

Система охлаждения жидкостная, закрытая, циркуляционная высокотемпературная. Абсолютное давление в системе 0,16 МПа. Допускаемая длительная температура в системе до 93 0 С, кратковременная, не более  10 мин. – до 105 0 С.

Охлаждение воды осуществляется вентилятором, который включается при помощи термодатчика. Затраты мощности на привод вентилятора составляют 120 л .с. Емкость системы 165 л .

Система смазки комбинированная, циркуляционная с сухим картером, емкость системы 66 л . Она обеспечивает смазку, охлаждение, управление фрикционными устройствами и подпитку гидротрансформатора.

 В масляном баке емкостью 40 л . установлен теплообменник. При понижении давления в системе ниже 0,1 МПа  двигатель автоматически останавливается.

 

3.          Расчет потоков мощности при стационарном режиме движения

 

Для оценки направлений потоков мощности и расчета значений действующих моментов, при движении танка «Леопард-1» на различных передачах, использовался метод крутящих моментов, разработанный проф. К.Б. Арнаудовым, представленный в работе [10].

Приведенные результаты позволяют выполнить прочностные и геометрические расчеты планетарных рядов трансмиссии 4НР-250, выполнить ее конструкторскую проработку с целью определения моментов инерции составных деталей и узлов.

 

Рис.12. Направления потоков мощности в зависимости от номера передачи.


 

4.Выводы

 

1.          Представленная работа позволяет оценить конструктивные особенности и тактико-технические характеристики силовой передачи танка «Леопард-1», включая двигатель

   МВ838СаМ500, регулятор RQU425/1100ZW10d и трансмиссию 4НР-250.

2.          Приведенные технические характеристики дизеля МВ838СаМ500, системы охлаждения и кинематическая схема трансмиссии 4НР-250 рассчитанные потоки мощности для стационарного режима движения танка, позволяют выполнить конструкторскую проработку ПКП, вычислить моменты инерции ее узлов и деталей.

3.          Полученные результаты позволяют выйти на следующий уровень исследования: моделирование динамики переходных процессов в силовой передаче танка «Леопард-1», как замкнутой системе «водитель-двигатель-трансмиссия», и сопоставить их с аналогичными характеристиками танка Т-64А.

 

Список литературы: 1. БМ «Булат» против «Леопарда2А4». Сравнение ТТХ. 2.  Проект Safari”. http://andrei-bt.livejournal.com/ 68940.html. 3. Чернышев В.Л, Рагулин С.В. Информационная технология “Gill” и ее применение в создании подвижных комплексах вооружения. 4. В.Л. Чернышев, Ю.А. Остапчук, А.А. Шипулин. Исследование силовой передачи танка Т-64А в режимах разгона и торможения на сухой грунтовой дороге. Вісник Національного технічного університету «ХПІ»,№41 (1014), 2013, Харків, НТУ «ХПІ», 2013, с.157-167. 5. В.Л. Чернышев, А.Г. Акиншин. Оценка нагруженности планетарных рядов бортовой коробки передач танка Т-64А методом динамического состояния в режиме разгона. Прикладні аспекти техногенно-екологічної безпеки: збірник тез Всеукраїнської науково-практичної конференції / Національний університет цивільного захисту України. – Х.: НУЦЗУ, 2013, с.76. 6. Никольский М.В., Растопшин М.М. Танки «Леопард» ФРГ. М., ООО «Виктория», 1998. 7. I. Spielberger. Waffensysteme Leopard-1 und Leopard-2. 8. Н.К. Заря, Б.П. Парфенов. Исследование центробежного регулятора скорости западногерманского танкового дизельного двигателя./Вестник бронетанковой техники, № 5, 1977.

9. Гидродинамические передачи. Под ред. В.А.Чобитка. Киев, КВТИУ им. И.И. Якубовского, 1981. 10. MPT’91 JSME International Conference on Motion and Powertransmission, Nov. 23-26 1991, Hiroshima , Japan .



 


 
ГЛАВНАЯ НА ВООРУЖЕНИИ ПЕРСПЕКТИВНЫЕ
РАЗРАБОТКИ
ОГНЕВАЯ МОЩЬ
ЗАЩИТА ПОДВИЖНОСТЬ 

ЭКСКЛЮЗИВНЫЕ МАТЕРИАЛЫ  БИБЛИОТЕКА ФОТООБЗОРЫ