|
|||||||||
|
|
Информационная технология «Gill» и ее
применение
в создании подвижных комплексов
вооружения
к.т.н., доц. Чернышев В.Л., к.в.н. Рагулин С.В.
Полный текст доклада, сделанного на 8
секции научно-практической конференции “Внутрішні війська МВС України на етапі
реформування та розбудови”.
Академія внутрішніх військ МВС
України. Харьков, 27 – 28 февраля
ВВЕДЕНИЕ
В начале 80-х годов прошлого века, в
ведущем танковом КБ СССР, ХКБМ имени А.А. Морозова имели место поломки опытной
шестискоростной механической бортовой коробки передач (БКП). В стендовых
условиях, при номинальной нагрузке, происходило раскалывание колец подшипников
сателлитов 2 планетарного ряда, что свидетельствовало о возникновении в системе
больших ударных нагрузок. Существующие в то время методы расчета силовых
передач, разработанные В.А. Колесовым, А.Н. Крюковым и М.Г. Жучковым (ВНИИ
Трансмаш г. Санкт-Петербург), не давали убедительных ответов на возникшие
вопросы. Главный инженер ХКБМ А.В. Бершов, руководитель дублирующего проекта
«Электромеханическая трансмиссия» (ЭМТ), поставил перед рабочей группой задачу:
выявить причины разрушения подшипников качения и максимально исключить
возникновение любых поломок в трансмиссии для перспективного советского танка
90-х годов. Положение усугублялось еще и тем, что фирма FMC, разработчик
транспортера М113, так же работала над ЭМТ для перспективного американского
танка FCS (Future Combat System). Успешное решение данной задачи открывало
хорошие перспективы в компоновке военно-гусеничных машин (применение
сочлененных и модульных конструкций) и установку электромагнитного комплекса
вооружения, что позволяло говорить о создании танков следующего поколения.
Результаты исследований, проведенные рабочей группой, позволили сделать
следующие выводы:
1. Транспортные средства
передвижения (ТСП) необходимо рассматривать как замкнутую систему
«среда-машина-водитель». Это позволяет учесть взаимное влияние
физико-механических свойств несущего основания, режимы движения, параметры
движителя, системы подрессоривания, моторно-трансмиссионной установки,
компоновку машины и водителя, с учетом его воздействий на органы управления и
обратной реакции машины на всех членов экипажа (вопросы эргономики).
2. Комплексная система
«среда-машина-водитель» представляет информационную технологию (ИТ) двойного
назначения, которая должна аналитически описывать конкретное ТСП, учитывать
основные физические процессы, протекающие в составных подсистемах и обладать
гибкостью, позволяющей в короткие сроки, с высокой достоверностью решать
вопросы конструкторского сопровождения всего проекта в целом, включая
компоновку, системы двигателя и ходовой части.
Аналогами данной системы являются
стандарт НАТО по оценке показателей подвижности танков АММ-75 и программа
NTVPM, разработанная Вонгом (Wong J.Y., Канада). В советском танкостроении
аналогов не выявлено.
4. ИТ необходимо создавать
самостоятельно. В качестве основы для разработки могут быть использованы:
докторская диссертация по проходимости танков А.П. Софияна (ВНИИТрансмаш),
защищенная в 1980 году, и работы известного советского специалиста по ЭМТ
д.т.н. П.Н. Иванченко.
5. Экспериментальную проверку
комплексной системы «среда-машина-водитель» необходимо проводить на танке
Т-64Б, по которому в ХКБМ собрана полная и достоверная информация. Итогом
пятилетней работы явилось создание основ ИТ «Gill» и ее экспериментальная
проверка в 1989 году. Целью предлагаемого доклада является: - представление
результатов практического применения ИТ “Gill” за 20-летний период ее
существования; - рассмотрение возможных областей применения.
При создании ИТ “Gill” условно можно
выделить несколько этапов, каждый ставил конкретные задачи и был жестко
ограничен временем.
1. Разработка,
экспериментальная проверка и применение ИТ “Gill” в создании
электромеханической трансмиссии перспективного советского танка 90-х годов
1.1. Корни разработки
В 1959 году, при испытаниях тягача АТТ, А.П.
Софиян впервые выявил циклический характер нагружения несущего основания и
показал его влияние на взаимодействие системы «грунт-движитель». Спустя 15 лет
незначительная часть проведенных исследований была опубликована в открытой
печати [1] . Появление статьи [1] вызвало острую критику со стороны ведущего
эксперта TACOM
(Tank Automotive Command -
подразделение Пентагона, отвечающее за технический уровень танковых войск США)
М. Беккера [2], что привлекло внимание зарубежных [3], [4] и отечественных [5],
[6], [7] специалистов.
Общее научное руководство
разработкой ИТ “Gill” осуществлял Павел Николаевич Иванченко, автор пяти
монографий по силовым передачам ТСП. Благодаря его знаниям и опыту удалось за 3
года разработать метод динамического состояния и применить его для решения
стоящих перед нами задачами.
1.2. Результаты экспериментальной проверки Экспериментальная проверка ИТ “Gill”
проводилась в период с 1987 по 1989 годы на танке Т-64Б на полигонах Кубинки
(в/ч 68054) и ХКБМ им. А.А. Морозова в Чугуеве.
1.2.1. Динамика силовой передачи танка
Т-64Б. Структурная схема силовой передачи представлена на рис. 1.
Рис. 1. Структурная схема силовой
передачи танка Т-64Б
Рис. 2. Разрез БКП
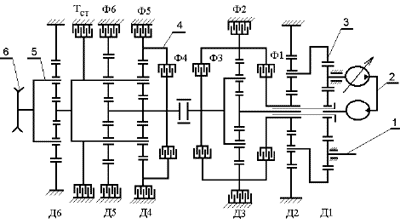
На рис. 3
представлена половина кинематической схемы семискоростной танковой БКП. Она
включает в себя: входной вал (1), сложное водило (2), выходной вал БКП (3),
водило бортовой передачи (4), два блокирующих фрикциона (Ф2 и Ф3) и четыре
тормозных (Ф1, Ф6, Ф5, и Ф4).
Рис. 3. Кинематическая схема БКП
На рис. 4 .. 9 представлены
экспериментальные (кривая 1) и расчетные (кривая 2) результаты разгона танка
Т-64Б на ровной бетонной трассе. Это оригинальные материалы 20-летней давности.
Анализ полученных результатов показал:
1.2.2. Динамика системы подрессоривания и шасси. На рис. 10 .. 13 показаны условия
проведения испытаний, объект исследования, расчетные вертикальные ускорения на
месте механика-водителя и кадр осциллограммы, отражающей изучаемые процессы.
Рис. 10. Участок чугуевского
полигона испытаний.
Рис. 11. Киносъемка испытаний Т-64Б
на плавность хода
Программа расчетов позволяла
корректно учесть значение моментов со- противления вращению ведущих колес с учетом
свойств несущего основания, особенностей гусеничного движителя, параметров
системы подрессоривания и скорости движения танка, определить перемещения,
скорости и ускорения любой точки корпуса, включая цапфы пушки, что открывало
выход на задачи следующего уровня: «среда-машина-экипаж-оружие-цель».
Рис. 12. Расчетные значения
ускорений на месте механика-водителя.
Рис. 13. Кадр осциллограммы
испытаний танка Т-64Б на плавность хода.
Полученные результаты показали
хорошее качественное и количественное совпадение. Это позволило применить ИТ
”Gill” в обосновании кинематической схемы ЭМТ, исследовать переходные процессы
в силовой передаче, оценить нагруженность и ресурс зубчатых передач и
фрикционных устройств, сформулировать тактико-технические требования к системам
управления и охлаждения. Конструкторская проработка механической части ЭМТ была
выполнена А.А. Сакуном, руководство разработкой электроблока осуществлялось
В.И. Трофименко. К концу 1990 года технический проект ЭМТ, совместно с
московскими и киевскими организациями, был завершен.
Развал Советского Союза в августе
1991 году исключил дальнейшее развитие проекта ЭМТ, однако ИТ «Gill»
сохранилась, продолжала развиваться и обеспечивала решение возникающих задач.
2. Гидрообъемная механическая трансмиссия
для ВГМ легкой весовой категории
В первой половине 90-х годов прошлого века, перед ОГКТ при ХТЗ возникла проблема доводки опытной гидрообъемной механической трансмиссии (ГОМТ) для военно-гусеничной машины легкой весовой категории, которая должна была заменить морально устаревшее шасси МТЛ-Б. Конструкция гидрообъемной передачи (ГОП) была разработана Харьковским агрегатным конструкторским бюро (ХАКБ) при заводе «ФЭД». ХАКБ известный разработчик гидрообъемных приводов управления для авиационно-космической техники. Применение их разработок для наземного транспортного средства специального назначения поставило ГОП в тяжелые условия работы, которые приводили к их быстрому выходу из строя. Положение обострялось еще и тем, что механическая часть трансмиссии имела свои конструктивные недоработки [8] и найти правильные решения было сложно. Моделирование переходных процессов в силовой передаче с использованием ИТ “Gill” позволило определить причины выхода из строя ГОП, выявить конструкторские ошибки и предложить простые технические решения, обеспечивающие работоспособность всей конструкции. Последующие полигонные испытания подтвердили достоверность сделанных рекомендаций.
Рис. 14. Гусеничное шасси,
оборудованное ГОМТ
3. Самоходный зенитный пушечно-ракетный комплекс «Донец»
Военный конфликт между Кувейтом и
Ираком (операция «Буря в пустыне») показал эффективность американской концепции
“Наземно-воздушная операция”, в соответствии с которой, главной задачей первого
этапа боевых действий является уничтожение системы ПВО, важнейших пунктов
государственного и военного
управления. Интенсивное применение высокоточного оружия (ВТО) изменило характер
ведения боевых операций и перед системами и комплексами ПВО СВ возникла задача
борьбы с ним. Боевое использование ЗСУ-23-4 “Шилка” в операции “Жало пустыни”
показало высокую эффективность применения артиллерии малого калибра для борьбы
с элементами ВТО. Так, 13.01.1993 года батарея ПВО, имеющая на вооружении
подвижные комплексы ЗСУ-23-4, уничтожила 8 КР «Tomahawk». Общее число КР,
сбитых войсками ПВО Ирака, составило 16 - 18 единиц. Полученные материалы
явились основанием для аналитической группы управления зенитного ракетного и
артиллерийского вооружения (командир полковник С.В. Рагулин) Научного центра
ВВС и ПВО при Харьковском военном университете (ХВУ) поставить вопрос о
модернизации комплексов ЗСУ- 23-4 «Шилка» и доведения их технического уровня до
требований современно- го боя. В дальнейшем к этой работе были подключены НПО
«Хартрон» (разработка систем управления и наведения) и ИМИС (разработка
конструкторской документации). В качестве производственной базы рассматривался
115 танкоремонтный завод (ТРЗ) МО Украины. Общее руководство проектом «Донец»
осуществлял зам. начальника ХВУ по науке д.т.н. полковник М.К. Можар. При
обосновании путей модернизации зенитного пушечно-ракетного комплекса (ЗПРК)
«Донец», НЦ ВВС и ПВО использовал элементы информационной технологии «Gill»,
которые были дополнены новыми подсистемами: поражаемая цель, РЛС слежения,
гидрообъемные приводы вертикального и горизонтального наведения артиллерийским
и ракетными каналами стрельбы, что представляло систему следующего уровня
«местность-машина-экипаж-оружие-цель». Общая структурная схема ЗПРК
представлена на рис. 15. Каждая подсистема, входящая в структурную схему,
описывается дифференциальными уравнениями, отражающими протекающие в ней
физические процессы и явления.
В качестве возможных вариантов шасси рассматривались:
-
многоцелевой тяжелый тягач МТ-Т;
- танк
Т-80УД, серийно выпускаемый «Заводом имени Малышева»;
- танк
Т-64Б, снятый с производства, но находящийся на хранении и подлежащий
уничтожению на 115 ТРЗ в соответствии с Договором об ограничении войск в
Европе.
Рис. 15. Общая структурная схема ИТ
“Gill” для ЗПРК «Донец»
Предварительные анализы показали:
Рис. 16. Испытания танка Т-64Б на
проходимость. «Танки грязи не боятся!».
Аналитическая модель ЗПРК «Донец» на
танковом шасси с башней, пушкой и приводами наведения ЗСУ-23-4 описывалась
системой 157 дифференциальных уравнений первого порядка, приведенными к виду
Коши. Выполненные расчеты показали, что за счет смещения торсионов системы
подрессоривания правого и левого бортов танка Т-80 УД, при наведении башни с
максимальными угловыми скоростями по горизонтали -70 град/сек, по вертикали –
60 град/сек, за счет ее неуравновешенности, возникают продольно-поперечные
колебания корпуса, приводящие к увеличению погрешности стрельбы на 8..12 %.
Это также влияет на точность
сопровождения цели, которая существенно ухудшается при стрельбе, за счет усилий
отдачи пушки АЗП-23. Шасси ЗСУ-23-4 «Шилка» (ГМ-575) так же имеет несоосные торсионы,
но опорные катки левого борта, по отношению к правому, сдвинуты вперед так, что
2 опорный каток левого борта находится на одной линии с 1 катком правого борта.
Это в значительной степени обеспечивает устойчивость корпуса при стрельбе.
Ни один из современных танков,
исключая морозовский Т-64 и его модификации, не учитывает эту особенность…
В качестве поражаемого объекта
рассматривалась скоростная цель, совершающая маневры на конечном участке
траектории с перегрузками более 15g. ИТ “Gill” позволила достаточно быстро, при
незначительных материальных затратах, научно обосновывать тактико-технические
требования к ЗПРК «Донец» в целом и его составным системам. При появлении
ближневосточного инвестора 115 ТРЗ был вытеснен из проекта «Донец» мощным, на
то время, «Заводом имени Малышева» (директор Г.В. Малюк). Рекомендации рабочей
группы НЦ ВВС и ПВО не были учтены руководством проекта, т.к. не отражали
интересы «Завода имени Малышева», в
серийном производстве которого
находился танк Т-80УД. Некоторые материалы, полученные в ходе работ по теме
«Донец», были доложены широкому кругу отечественных и зарубежных специалистов в
сентябре 1997 года [9]. Изготовление опытного образца ЗПРК «Донец» и его
полигонные испытания, на которых авторы доклада присутствовали в качестве
экспертов МО Украины, не показали высоких ТТХ, что, по-видимому, и явились
одной из причин нынешнего положения «Завода имени Малышева»…
Рис. 17. ЗПРК «Донец»: техническое
решение и его «товарный макияж»
4. Бортовая гидрообъемная
механическая трансмиссия для ВГМ тяжелой весовой категории
Увольнение М.К. Можара из ВС и его
уход с группой второстепенных участников проекта «Донец» на
«Завод имени Малышева» не повлияли
на работу основной группы НЦ ВВС и ПВО, которая приступила к модернизации
шасси. Практический опыт работы в ХКБМ имени А.А. Морозова по проекту ЭМТ и
реально существующая, проверенная экспериментально ГОП ХАКБ позволяли с высокой
вероятностью успеха создать танковую бортовую гидрообъемную механическую
трансмиссию (БГОМТ). В 2000 году был завершен эскизный проект БГОМТ, а ее
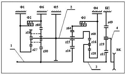
конструкция запатентована на Украине и в России [10]. На рис. 18 приведена
кинематическая схема БГОМТ.
Рис. 18. Кинематическая схема БГОМТ
Конструкция передачу (2), БГОМТ включает в себя: входной вал (1),
гидрообъемнуювходной редуктор (3), выполненный в виде двух планетарных рядов Д1
и Д2, что обеспечивает полный реверс, блокирующие фрикционы Ф1, Ф3 и Ф4,
тормозные фрикционы Ф2, Ф5 и Ф6, стояночный тормоз Тст, коробку передач (4) на планетарных рядах Д3, Д4, Д5,
бортовую передачу (5) и ведущее колесо (6).
По сравнению с серийной
семискоростной БКП были дополнительно введены блокирующий фрикцион и
планетарный ряд. Это позволило реализовать 6 передач вперед и обеспечить полный
реверс.
Система торможения может реализовать три режима:
-безопасную
стоянку (Тст);
-плавное
торможение обеспечивается одновременным включением фрикционов Ф4, Ф5 и Ф6 обоих
бортов;
-экстренное торможение.
Кинематическая схема и параметры планетарных рядов позволяют реализовать 2
режима движения машины:
-режим двухпоточной ГОМТ,
обеспечивающий автоматическое переключение передач, без скольжения фрикционных
устройств, при скоростях движения до 32 км/час и движение машины в диапазоне
скоростей от 32 до 72 км/час, за счет ГОП и ДВС, без переключения передач;
-режим механической трансмиссии на
случай выхода из строя ГОП, выполнения тяжелых земляных работ, запуск с буксира
и т.д. В таблице 1 показано сравнение основных характеристик БГОМТ и серийной
БКП в объектовых условиях танка Т-72 и их условная эффективность. Использование
БГОМТ в силовой передаче танка Т-72 позволяет поднять его расчетный технический
уровень, по показателям подвижности, более чем в 4 раза [11].
Отдельные материалы по проекту БГОМТ
представлялись руководством концерна «ХАЗ», в который входит завод «ФЭД», на 3
авиационном салоне Air-show China 2000 в Чжухае (Китай, ноябрь 2000).
5. Возможные области использования ИТ “Gill”
Среди основных задач, которые могут
быть решены с помощью информационной технологии “Gill”, можно выделить
следующие:
1. Определение направлений
модернизации существующих и создания перспективных комплексов, включая оценку
эффективности проводимых мероприятий.
2. Техническая экспертиза существующих,
модернизируемых и проектируемых комплексов вооружения на гусеничном шасси. 3.
Техническое сопровождение конструкторских разработок.
4. Исследование взаимного влияния
составных систем комплекса и обоснование требований к ним.
5. Оценка динамической нагруженности
составных систем шасси (двигатель, трансмиссия, система подрессоривания и
т.д.), оценка их надежности и ресурса.
6. Отработка алгоритмов управления
комплексом в различных режимах его работы.
7. Разработка программного
обеспечения для бортового цифрового вычислителя и тренажера.
Список использованной литературы
1. Софиян А.П. Процессы
колееобразования на опорной поверхности гусеничного движителя. //Тракторы и
сельхозмашины. -М.: Машиностроение, -№ 4.- 1973 .
2.
Bekker M.G. Trached Vehicles-Terrain Damage and Economy. // SAE Tech-nical
Paper Series, 198O, No 8OO953, p.1-15.
3.
Spector M. Principles of soil-tool interaction. // Journal of Terramechanics. V.18.-
No 1.- 1981, p.51-65.
4.
Wong J.Y., Preston-Thomash J. On the characterization of the pressure-sinkage
relation-ship of snow covers containing an ice layer. //Journal of
Terramechanics. V.12. -
No1.- 1983, p.1-12.
5. Ольшанский В.П. О качении ведомого
колеса по упруго-пластическому грунту. // Тракторы и сельхозмашины. -М.:
Машиностроение,-№ 9.- 1978.
6. Чернышев В.Л. Об одном частном
случае движения гусеничной машины по пластическому грунту. // Тракторы и
сельхозмашины. -М.: Машиностроение,-№ 5.- 1982.
7. Чернышев В.Л. Аналитическое
описание вязко-упруго-пластических свойств несущих оснований и энергетический
принцип их классификации. // Тезисы докладов 1 международного симпозиума по
террамеханике "Оптимальное взаимодействие", Суздаль, 1992.
8. Омельченко В.Н., Чернышев В.Л.,
Скрипкин Н.Р., Федотов В.И. Об одном необычном разрушении зубчатых колес
механического привода.// Механіка та машинобудування. -№1.–1997, С. 96-102.
9. Рагулин С.В., Чернышев В.Л.
Комплексное моделирование функциональных возможностей зенитной самоходной
установки ЗСУ-23-4 «Шилка». Материалы 1 международной конференции
«Артиллерийские ствольные системы, боеприпасы, средства артиллерийской разведки
и управления огнем». Киев, ГНТЦ АСВ, сентябрь 1997.
10. Патент Украины № 2001021345. //
Бюл. -№8.- 2001.
11. Чернышев В.Л., Рагулин С.В.,
Щокин В.М., Афузов А.С. Оценка технического уровня танковых трансмиссий и пути
его повышения. // Материалы 10-й международной научно-методической конференции
«Технологии ХХI века», Алушта, 8-14 сентября 2003.
|
|
|||||||
|